联系人:蔡平
手 机:13815945945
电 话:0523-84323365
传 真:0523-84875122
地 址:江苏省靖江市新桥镇江河路50号
一、 概述
1.1结构原理
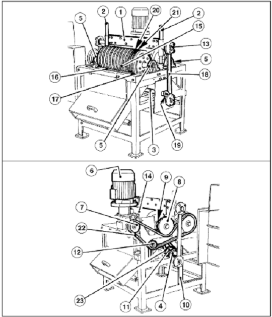
通过旋转的齿盘片辊和胶辊除去桃杏、李子中的果核, 得到块状果肉。 因为桃、杏李子果核较硬, 在桃杏李子 去核的时候,通过一定装备把原料压入两辊之间。两辊之间的适当距离是根据不同的水果来定。水果由前道设备送入进料斗,由曲柄连杆机构带动压果板把水果压入两辊之间。两根辊相互对转,水果部分果肉被压入齿辊的缝隙中,果核被挤在具有弹性的胶辊内,梳子板把果肉从齿盘片间隙内挖出。水果和果核分开进入两个不同收集料斗内。果肉进入破碎机进行细化,带肉果核进入洗核机内,彻底进行果肉与果核的分离。机器设有嵌板,在处理的时候阻止水果漏出。
1.2机组组成
去核机组包括:去核机、洗核机
去核机由机架、 进料斗、把水果压入两辊之间的压果装置、曲柄连杆机构、涂上一层硫化的橡皮的辊(搪胶滚筒)、 齿盘片和隔圈组成的齿辊、 拔取果肉的装置(梳子板)、 果肉-果核分离装置、减速机、保护的嵌板、收集果核果肉的料斗。
1.3 技术规格
生产能力:2T/h
去核机功率:2.2Kw 洗核机功率:7.5kw
整机外形尺寸:900×900×1600mm
二、机器结构
机器的拆卸, 首先拆去所有的给予保护的嵌板。接着移去电机和链条、链轮。拆下曲柄、胶辊、齿辊和梳子板,以及所有的电器材料及其它。所有的拆卸程序一定遵从操作,拆卸过程一定要熟练的操作员操作。
三、操作及设备维护保养
3.1操作程序
1. 调整两辊之间的距离,把水果放在两辊子之间,直到二个辊子正好碰触。 检查橡胶辊发挥作用强迫水果压在有齿的滚筒上;压力在两边被平均地分配。
2. 调整辊子上面的压果板高度,使压果板与辊子尽可能接近但又不干涉。
3. 调整果肉- 果核分离装置与辊子的距离,反复试机,使果肉- 果核分离装置达到更佳的位置为止。
3.2设备维护与保养
⑴ 在每个生产季节结束的时候, 使用水和蒸气实行机器内部和外部的清洗,保持机器内外清洁。
⑵ 每 8个工作时间后,打开罩板,在传动链条上加油脂。
⑶ 定期地检查减速机润滑油的油标高度, 如果油位较低必须及时加油。
⑷ 定期地查证链条的涨紧情况。
3.3相关的安全
⑴在操作任何维护程序之前, 要浏览操作和维护手册。
⑵设备在停机后必须切断电源。
⑶在操作机器之前检查所有的安全装置有效地在适当的位置。
⑷所有的维护程序由有一定资格的和熟练的操作员实行。
四、出现的故障 、可能采生的因素以及纠正的方法
4.1机器开机不工作
可能的因素
电源没有接到设备上来 。
纠正的行动
⑴确定所有的电连接是否符合要求。
⑵确定安全钥匙是否在正确位置。
4.2不能去核
可能的因素
⑴果肉- 果核分离装置的位置不正确。
⑵两辊子之间位置不正确。
纠正的行动
⑴调整果肉- 果核分离装置与辊子的位置。
⑵调整两辊子之间的间隙。
4.3果肉中混有果核
可能的 因素
齿型辊有缺陷。
纠正的行动
⑴替换被损坏的齿盘片。
⑵调整压果板装置,以防止齿型辊被损坏。
4.4果核上的果肉太多
可能的因素
胶辊有缺陷。
纠正的行动
⑴维修胶辊。
⑵调整压果板装置,以防止胶辊被损坏。
去核机结构图
1、快速压料装置 2、滑动导柱 3、凸轮轴 4、凸轮轴带座轴承 5、带座轴承 6、减速机 7、主动链轮 8、压辊轴链轮 9、驱动凸轮轴主动链轮 10、涨紧装置 11、凸轮轴从动链轮 12、涨紧装置 13、关节轴承 14、胶辊 15、齿辊 16、梳子板 17、梳子板固定板 18、凸轮轴连杆 19、凸轮 20、齿盘 21、隔环 22、链条 23、链条

洗核机结构示意图
1、进料斗 2、机架 3、电机15kw 4、出核斗 5、集浆斗 6、筛网φ8 7、刮板
[上一个: 杏切半去核机 ]
[下一个: DJ、MDJ型打浆机 ]






苏公网安备 32128202000743号